VIDEO CORSO DI DISEGNO SCHEMI ELETTRICI CON IL CAD

Impara a disegnare gli schemi elettrici e altre tipologie di schemi con un software CAD gratuito.

Attenzione! Questo è un corso di CAD elettrico, presuppone che tu sappia già cosa vuoi disegnare nel tuo schema.
Se vuoi imparare riguardo ai componenti e a come sono fatti gli schemi elettrici, segui prima il corso di lettura schemi, oppure quello di manutentore di stabilimento.
Se vuoi puoi acquistare questo corso anche in kit con gli altri, risparmiando fino al 18% (trovi i kit nei moduli d'ordine)

Attenzione! Per ordini superiori a 90€, ricevi in omaggio anche il corso base d'automazione industriale e industria 4.0.

In offerta a partire da 77€
Se hai già letto questa pagina e vuoi saltare direttamente al modulo d'acquisto utilizza il pulsante quì sotto.

Corso di disegno schemi elettrici al CAD

IMPARA A DISEGNARE GLI SCHEMI ELETTRICI

Il corso, articolato in 20 video lezioni, ti spiega passo passo come disegnare gli schemi elettrici con il software CAD elettrico open source più funzionale in circolazione oggi.

Impara dalle basi

Apprendi i concetti di base dell'utilizzo del software CAD.
Configura l'ambiente di lavoro e inizia subito a creare il tuo schema.

Costruisci i tuoi simboli

Il software che utilizzerai contiene migliaia di simboli pronti per essere utilizzati negli schemi.
Nel corso imparerai anche a creare i tuoi simboli personalizzati e programmabili.

Crea schemi elettrici di diverso tipo

Impara a creare schemi multifilari, unifilari, e altre tipologie di disegno.

Schemi di esempio completi

Oltre a tutte le lezioni con le spiegazioni, hai a disposizione schemi di diverso tipo, da analizzare e riutilizzare per cominciare a disegnare i tuoi.

Gestisci elementi intelligenti

Sfrutta la potenza della cross reference per creare disegni con elementi facilmente rintracciabili sulle pagine.

Crea riepilogi

Impara come creare tabelle con gli elenchi dei dispositivi, dei cavi, delle utenze e dei morsetti.

Esporta i dati degli schemi

Sfrutta l'utility allegata al corso per esportare i dati dei tuoi schemi. L'esportazione ti permette di controllare velocemente lo schema, e di avere gli elenchi del materiale.

Utilizza l'interfaccia nella lingua che preferisci

Sfrutta al meglio il software CAD con la lingua inglese, oppure puoi scegliere l'italiano.

DAI UNA SBIRCIATINA AL CORSO!

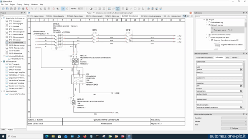
Corso disegno schemi elettrici - esempio di schema multifilare

Schemi multifilari

Disegna gli schemi industriali multifilari, sfruttando migliaia di simboli già pronti.

Corso disegno schemi elettrici - esempio di schema unifilare

Schemi unifilari

Con questo software CAD puoi disegnare schemi di diverso tipo: multifilari, unifilari, schemi di processo.

Corso disegno schemi elettrici - creazione simboli personalizzati

Personalizzazione oggetti grafici

Crea i tuoi simboli grafici semplici, master e slave, gestibili con dati esportabili e cross reference.

Corso disegno schemi elettrici - tabelle con elenchi

Gestione elenchi

Impara a creare e personalizzare gli elenchi dei dispositivi, delle utenze, dei cavi e e dei morsetti.

PER CHI É ADATTO QUESTO CORSO?

Chiunque sia in cerca di una soluzione semplice per disegnare schemi elettrici e di altre tipologie.

  • PROGETTISTI DI QUADRI ELETTRICI E MANUTENTORI - Chi progetta quadri elettrici, o semplicemente deve fare la manutenzione, può completare il proprio bagaglio tecnico imparando a usare il CAD elettrico.
  • PROGRAMMATORI DI PLC E DI SISTEMI DI SUPERVISIONE - Chi vuole lavorare nel settore dell'automazione industriale e sa disegnare gli schemi, sicuramente ha una marcia in più.
  • STUDENTI IN AMBITO AUTOMAZIONE INDUSTRIALE - Completare un percorso formativo con un corso di disegno al CAD elettrico arricchisce il proprio curriculum.
  • CURIOSI E APPASSIONATI DI ELETTRONICA, ELETTROTECNICA E INFORMATICA - Gli schemi elettrici sono una parte fondamentale che accomuna le diverse materie tecniche.

COSA MI SERVE PER SEGUIRE IL CORSO?

Il corso può essere eseguito con un normale computer con Windows.
Il software QElectroTech si scarica gratuitamente dal relativo sito internet.

OTTIENI ORA IL TUO CORSO

In offerta a partire da 77€
Acquistando il corso ottieni accesso in streaming ai video per sempre, inoltre puoi scaricare i disegni d'esempio e le utilities di analisi schema.
Puoi acquistare il corso con PayPal, Carta di credito, oppure con bonifico bancario.

Se scegli di pagare con bonifico avrai uno sconto del 10% sul prezzo totale dei corsi che scegli.
Una volta regolarizzati i pagamenti riceverai la tua fattura.

Utilizza i pulsanti quì sotto per scegliere il tuo metodo di pagamento e visualizzare il modulo d'ordine con tutti i corsi disponibili.

Copyright(C) automazione-plc.it
Luciano Guida
Viale Leonardo Da Vinci 203
20090 Trezzano sul Naviglio (MI)
P.IVA: 11676200964
REA: MI-2791053
PEC: luciano.guida@postecertifica.it

Sito di informazione e didattica sull'automazione industriale, il mondo dei PLC e dei sistemi di supervisione.
Programmazione PLC.
Programmazione SCADA e HMI.
Apparecchiature e hardware industriale.
Strumentazione da campo.
Policy sulla Privacy e utilizzo dei Cookies
- Modifica le preferenze sui Cookies -
- Termini e condizioni -