CORSO CAD PER DISEGNO SCHEMI ELETTRICI QELECTROTECH:
UTILITY ANALISI SCHEMA

Utility analisi schema elettrico dal disegno CAD

Data aggiornamento: gennaio 2026.

Benvenuto sul mio sito dedicato all’automazione industriale, oggi ti presento l’utility di analisi dello schema elettrico, che ci permette di estrarre dal disegno diverse informazioni sul suo contenuto.

Questo tool lo trovi all’interno del corso di disegno con il CAD elettrico QElectroTech, ed è stato creato in linguaggio Python.

Novità automazione e plc

All’interno delle lezioni dedicate al CAD elettrico, impariamo a disegnare lo schema sfruttando i numerosi simboli della libreria, e anche a creare i nostri simboli personalizzati, sia di tipo semplice, che di tipo intelligente.

I simbolo intelligenti ci permettono di attribuire agli stessi diverse informazioni per noi significative, come per esempio la marca del componente, il modello, la funzione, e così via.

Naturalmente i componenti intelligenti sono anche rintracciabili sullo schema per mezzo della cross reference (riferimenti incrociati).

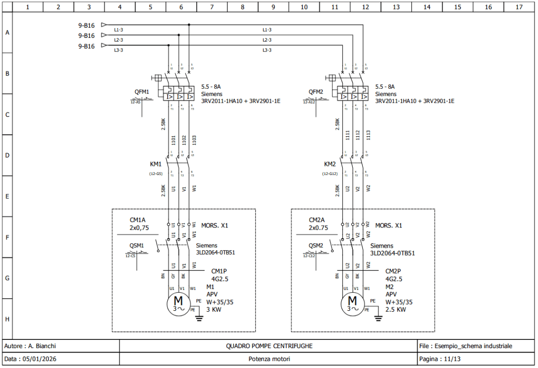
Pagina dello schema elettrico

Oltre alla parte grafica, nel corso viene spiegato come creare le tabelle con le liste degli elementi, filtrate a nostro piacimento. Per esempio possiamo distinguere tra dispositivi, utenze in campo, morsetti, cavi ed conduttori elettrici numerati.

Nella prossima immagine vediamo un esempio di queste tabelle.

Tabelle con l'elenco materiale dello schema elettrico

L’utility allegata al corso, permette di estrarre tutte le informazioni associate agli elementi dello schema elettrico, per averle in formato CSV, in un file facilmente consultabile con un editor di testo, oppure con qualsiasi foglio di calcolo.

Il file che otteniamo può essere manipolato a piacimento, per esempio per ordinare gli oggetti, o raggrupparli in diverse maniere.

Nella figura che segue troviamo il file convertito in PDF.

Se vuoi puoi leggere l'articolo sugli schemi elettrici unifilari e multifilari.

File PDF con l'analisi dello schema elettrico

Copyright(C) automazione-plc.it
Luciano Guida
Viale Leonardo Da Vinci 203
20090 Trezzano sul Naviglio (MI)
P.IVA: 11676200964
REA: MI-2791053
PEC: luciano.guida@postecertifica.it

Sito di informazione e didattica sull'automazione industriale, il mondo dei PLC e dei sistemi di supervisione.
Programmazione PLC.
Programmazione SCADA e HMI.
Apparecchiature e hardware industriale.
Strumentazione da campo.
Policy sulla Privacy e utilizzo dei Cookies
- Modifica le preferenze sui Cookies -
- Termini e condizioni -