CORSO DI DISEGNO SCHEMI ELETTRICI AL CAD:
SCHEMI UNIFILARI E MULTIFILARI

Schemi elettrici unifilari e multifilari

Data aggiornamento: gennaio 2026.

Benvenuto su queste pagine dedicate al disegno elettrico, oggi impariamo cosa sono gli schemi elettrici unifilari e multifilari. Lo schema elettrico è parte integrante della documentazione dei quadri, e rappresenta la base per comprendere il funzionamento del quadro, oltre che il modo in cui deve essere cablato.

Novità automazione e plc

Quando progettiamo un quadro elettrico, abbiamo sostanzialmente due modi di rappresentare le apparecchiature e i collegamenti all’interno dello stesso: il modo “unifilare”, e quello “multifilare”. Entrambe queste tipologie di schema sono importanti, e nei prossimi paragrafi scopriamo insieme le peculiarità di ognuna di esse.

Prima di addentrarci nell’argomento, ti ricordo che su questo sito trovi il nuovo corso di disegno schemi elettrici al CAD. Questo corso ti permette in breve tempo di imparare a disegnare i tuoi schemi con un software che puoi scaricare gratuitamente.

Cominciamo a scoprire le caratteristiche dei disegni elettrici dal modello unifilare.

1. Schemi elettrici unifilari.

Lo schema unifilare rappresenta la struttura concettuale di un impianto elettrico attraverso una semplificazione grafica. In questo tipo di disegno, ogni circuito viene indicato con una singola linea, a prescindere dal numero di conduttori che lo compongono fisicamente.

Questo tipo di disegno non serve a guidare l'installatore nei dettagli del cablaggio, ma permette al progettista di offrire una visione d'insieme sulla gerarchia delle protezioni e sulla distribuzione dei carichi.

Lo schema unifilare rappresenta uno dei documenti necessari nella progettazione a norma di legge e per le verifiche di conformità, in quanto rende immediatamente leggibile la logica di sicurezza dell'intero sistema, e le caratteristiche delle apparecchiature installate.

Attraverso la simbologia unifilare vengono definite le caratteristiche tecniche principali dei componenti senza appesantire il disegno, tra queste troviamo:

a) La tipologia e potere di interruzione degli interruttori magnetotermici.

b) Sensibilità dei dispositivi differenziali per la protezione dai contatti indiretti.

c) Sezione dei cavi principali espressa in millimetri quadrati.

d) La potenza nominale e i tipi di carichi collegati a valle.

e) Tratti obliqui sulla linea principale per indicare il numero di conduttori attivi.

Ecco nell’immagine che segue un esempio di disegno elettrico unifilare. Possiamo notare, oltre alla grafica degli elementi, la tabella con le caratteristiche di ogni componente.

Schema elettrico unifilare

In un quadro elettrico complesso, lo schema unifilare permette di individuare rapidamente quale interruttore comanda e/o protegge le varie zone, facilitando le operazioni di sezionamento in caso di manutenzione straordinaria, o di ripristino in caso di interruzione per sovracorrente, cortocircuito, o dispersioni verso terra.

2. Schemi elettrici multifilari.

Quando la necessità passa dalla pianificazione logica all'esecuzione pratica, entra in gioco lo schema multifilare. In questo diagramma ogni conduttore, sia esso di fase, neutro o di terra, viene disegnato individualmente.

Se un collegamento richiede quattro fili, vedremo quattro linee distinte che partono dai componenti e raggiungono i morsetti di destinazione.

Questo livello di dettaglio è essenziale per la costruzione di quadri di automazione, e per la gestione di circuiti di comando, dove la posizione esatta di ogni filo determina il corretto funzionamento del sistema.

In un documento multifilare, l'attenzione si sposta sulla precisione operativa e sull'identificazione fisica dei componenti; in esso troviamo per esempio:

a) La numerazione univoca di ogni singolo filo per il tracciamento rapido.

b) L’identificazione alfabetica o numerica dei morsetti di collegamento.

c) La rappresentazione dei contatti normalmente aperti o chiusi, così come delle bobine.

d) Il dettaglio dei circuiti di segnalazione e delle interfacce verso sensori esterni.

e) La disposizione dei componenti sulle guide DIN.

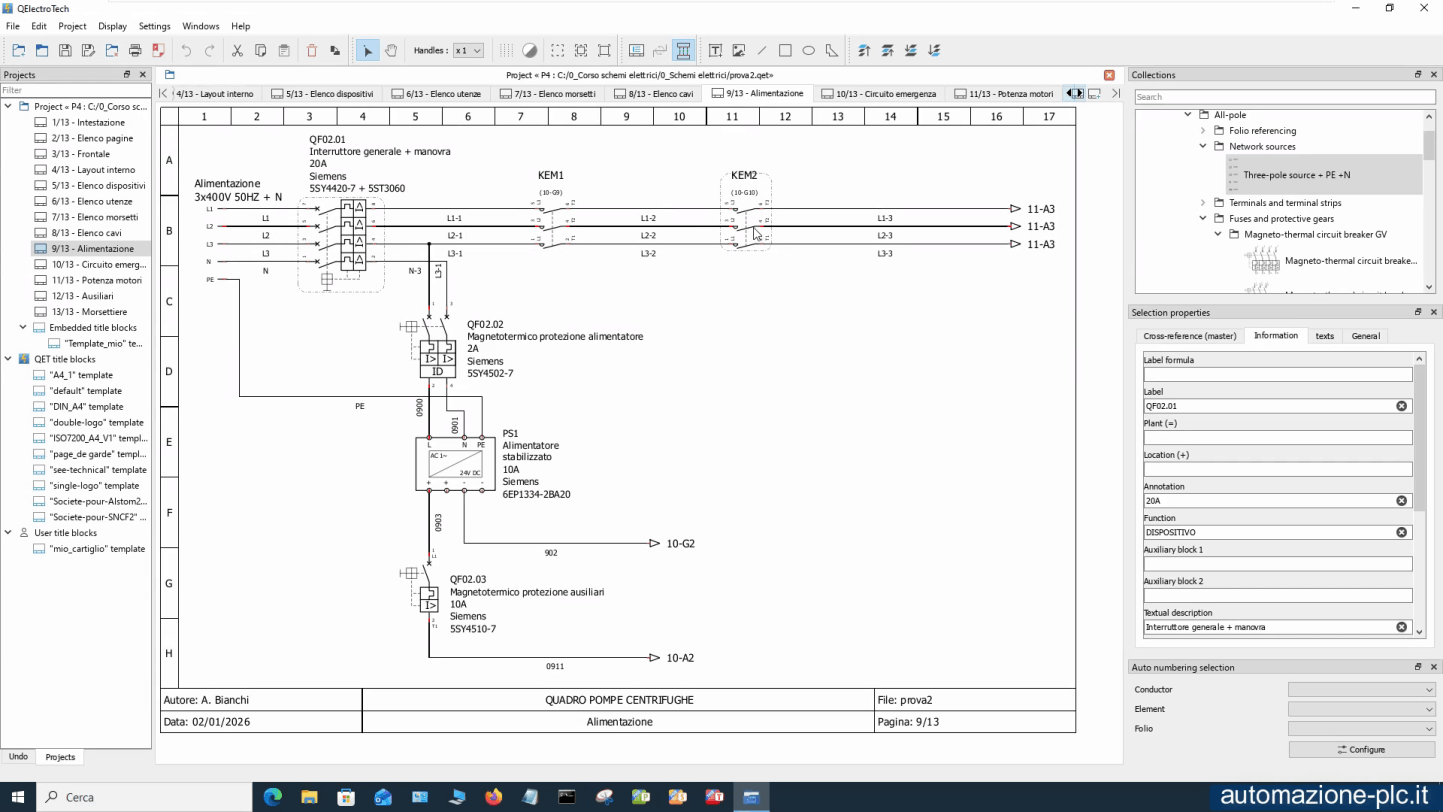
Qui sotto vediamo un esempio di schema elettrico multifilare, notiamo la numerazione dettagliata di ogni conduttore, la nomenclatura dei componenti, e i rimandi della cross reference.

Schema elettrico multifilare

Questo schema è lo strumento indispensabile per il tecnico manutentore che deve effettuare il troubleshooting.

Grazie alla corrispondenza tra il disegno e la realtà del quadro, è possibile testare la continuità di un singolo percorso elettrico o verificare tensioni e correnti nei vari punti del circuito senza ambiguità.

Potremmo dire che mentre l'unifilare è la mappa strategica, il multifilare è il manuale d'officina che garantisce che ogni vite sia serrata sul cavo corretto.

Se vuoi puoi leggere anche l'articolo sull'utility di estrazione dati dallo schema elettrico.

Copyright(C) automazione-plc.it
Luciano Guida
Viale Leonardo Da Vinci 203
20090 Trezzano sul Naviglio (MI)
P.IVA: 11676200964
REA: MI-2791053
PEC: luciano.guida@postecertifica.it

Sito di informazione e didattica sull'automazione industriale, il mondo dei PLC e dei sistemi di supervisione.
Programmazione PLC.
Programmazione SCADA e HMI.
Apparecchiature e hardware industriale.
Strumentazione da campo.
Policy sulla Privacy e utilizzo dei Cookies
- Modifica le preferenze sui Cookies -
- Termini e condizioni -