COMPONENTI ELETTRONICI PASSIVI, ATTIVI, E CIRCUITI INTEGRATI

Componenti elettronici

Data aggiornamento: marzo 2026.

Eccoci in una nuova lezione dedicata all’elettronica, prima di cominciare ti do il benvenuto sul mio sito dedicato all’automazione industriale, o naturalmente bentornato se già mi conosci.

Oggi parliamo di componenti passivi e attivi, vedremo cosa significano questi termini, e scopriremo quali componenti elettronici appartengono all’una e all’altra categoria.

Novità automazione e plc

L’elettronica è fatta di componenti più o meno sofisticati. Questi componenti però possiamo categorizzarli in due famiglie principali: i componenti passivi e quelli attivi. Ci sono poi i circuiti integrati, che come vedremo sono dei componenti che al loro interno contengono molti altri componenti miniaturizzati, e che svolgono quindi funzioni più complesse.

Cosa si intende per componente passivo e per componente attivo? Un componente passivo è un componente che non modifica il segnale che lo incontra, mentre un componente attivo agisce modificando la sorgente.

Per fare un esempio, se prendiamo una resistenza, questa non modifica il tipo di segnale e la sua forma d’onda, mentre se prendiamo un diodo, questo taglia le semi onde contrarie alla sua polarizzazione, rendendo la forma d’onda d’uscita diversa da quella di partenza.

Conosceremo meglio il diodo in un’altra lezione, quello che vediamo nell’immagine che segue è esattamente l’effetto di un diodo posto in un circuito con alimentazione in corrente alternata.

In alto nella figura abbiamo la forma d’onda di partenza, e in basso quella determinata dal diodo. Possiamo intuire che il diodo è un componente che ci “aiuta” a trasformare un segnale di tipo alternato in un segnale più simile a uno continuo.

Circuito elettronico raddrizzatore

Componenti elettronici passivi e componenti attivi.

Quali sono i componenti passivi e quali quelli attivi?

Ecco nell’immagine che segue una serie di componenti elettronici, sulla sinistra troviamo quelli attivi, mentre sulla destra quelli passivi.

Tabella componenti elettronici attivi e passivi

Come vediamo dalla figura, tra i componenti passivi (a destra) abbiamo le resistenze, le fotoresistenze, i condensatori, i trasformatori e le induttanze.

Tra questi componenti passivi vediamo anche il semplice switch (o interruttore), il quale interrompe un circuito, tuttavia non modifica il tipo di segnale.

Tra i componenti attivi troviamo invece i diodi e i fotodiodi, i transistors, gli amplificatori operazionali, e le sorgenti di alimentazione.

I transistor sono considerati componenti attivi poiché, come vedremo nella lezione a essi dedicata, possono funzionare come amplificatore di segnale; anche gli OPAMP (amplificatori operazionali) amplificano il segnale.

I circuiti integrati.

Come accennato all’inizio di questa lezione, in elettronica si utilizzano anche circuiti complessi, che si chiamano circuiti integrati (IC).

Di circuiti integrati ce ne sono moltissimi, e tra i più utilizzati ci sono quelli analogici, quelli digitali, i convertitori D/A e A/D, i circuiti con porte logiche, quelli di memoria, e i processori.

Circuiti integrati

Ecco nell’immagine che segue un dispositivo DSP utilizzato per processare segnali, e che comprende diversi circuiti integrati che svolgono compiti diversi.

Come vediamo dalla figura abbiamo un amplificatore in ingresso e un convertitore di segnale da analogico a digitale; a questi seguono il DSP (Digital Signal Processor) e altri circuiti come quelli che gestiscono il clock (temporizzazione) e le interfacce tra i vari circuiti.

Il circuito termina con un convertitore di segnale, questa volta da digitale ad analogico, e un altro amplificatore.

In pratica per modificare (processare) per esempio un segnale audio, lo si converte in digitale e il processore lavora in digitale; al termine si riconvertono i dati in segnale analogico audio, quindi analogico.

Circuito elettronico DSP con convertitori analogico digitale e digitale analogico

Come dicevamo, un circuito integrato può fare il lavoro di moltissimi componenti che a dimensioni normali determinerebbero un circuito elettronico molto più ingombrante

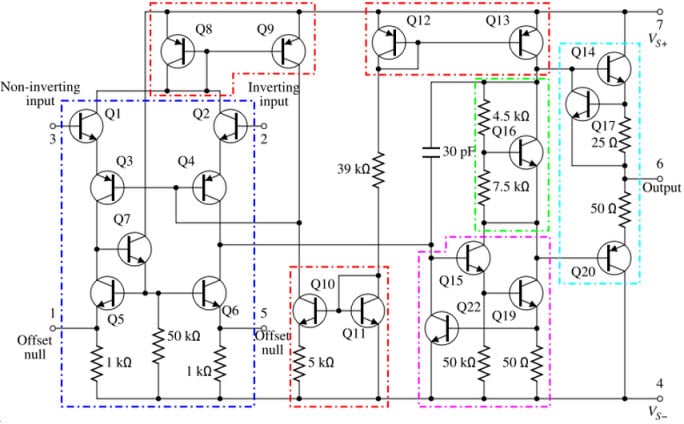
Nell’immagine che vediamo troviamo lo schema elettrico di un circuito integrato di tipo amplificatore operazionale, il modello è IC 741.

Schema elettrico di un circuito integrato amplificatore operazionale IC 741

Dove sono utilizzati i componenti passivi e attivi nell’automazione industriale.

Praticamente tutti i componenti elettronici sono utilizzati in automazione industriale, tuttavia alcuni più di altri sono rintracciabili più facilmente, vediamoli insieme:

Resistenze: le troviamo per esempio oltre che nei circuiti, nelle termoresistenze, che servono a misurare la temperatura.

Le resistenze servono anche a scaldare i liquidi, proprio come avviene negli elettrodomestici, e nelle caldaie elettriche industriali; questo impiego sfrutta il fatto che una resistenza produce sempre un certo calore, ovvero trasforma l’energia elettrica in energia termica (lo vedremo meglio nella lezione dedicata a questo componente).

Resistenze elettriche ed elettroniche

Condensatori: I condensatori sono presenti negli inverters, e come vedremo nella lezione apposita, essi trovano largo uso nei sistemi (e quadri) di rifasamento. Il condensatore è un componente che serve a immagazzinare energia.

Condensatori e apparecchiature che li impiegano

Transistors: Questi preziosi componenti sono utilizzati nelle uscite digitali dei PLC, per cui diffusissimi; inoltre sono alla base dei circuiti di memoria.

Tra gli utilizzi del transistor troviamo anche quelli negli interruttori di livello e di prossimità.

Transistors e apparecchiature che li impiegano

Diodi: I diodi sono presenti negli alimentatori. Dato che sono impiegati nei circuiti raddrizzatori; questi componenti li troviamo anche sulle alimentazioni delle solenoidi (elettrovalvole), e dei relè, per proteggere i componenti dai disturbi generati dai carichi induttivi, disturbi che si generano quando si toglie l’alimentazione alle apparecchiature di questo tipo.

Diodi e apparecchiature che li impiegano

Copyright(C) automazione-plc.it
Luciano Guida
Viale Leonardo Da Vinci 203
20090 Trezzano sul Naviglio (MI)
P.IVA: 11676200964
REA: MI-2791053
PEC: luciano.guida@postecertifica.it

Sito di informazione e didattica sull'automazione industriale, il mondo dei PLC e dei sistemi di supervisione.
Programmazione PLC.
Programmazione SCADA e HMI.
Apparecchiature e hardware industriale.
Strumentazione da campo.
Policy sulla Privacy e utilizzo dei Cookies
- Modifica le preferenze sui Cookies -
- Termini e condizioni -